![]() |
| BMW phát triển kiểu động cơ W3 vô cùng độc đáo. |
![]() |
| Feuling W3-prototype với động cơ W3 tạo góc 90 độ. |
![]() |
| Phương án động cơ W3 thứ 1 cửa BMW. |
![]() |
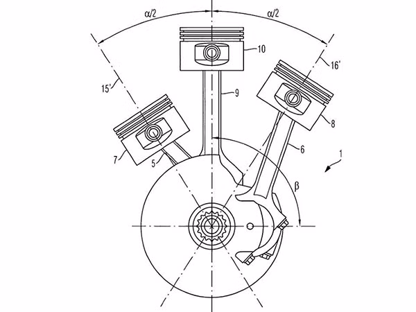
| Phương án động cơ W3 thứ 2 cửa BMW. |
![]() |
| BMW phát triển kiểu động cơ W3 vô cùng độc đáo. |
![]() |
| Feuling W3-prototype với động cơ W3 tạo góc 90 độ. |
![]() |
| Phương án động cơ W3 thứ 1 cửa BMW. |
![]() |
| Phương án động cơ W3 thứ 2 cửa BMW. |
![]() |
| Chiếc BMW R1200R 2015 đầu tiên vừa về Việt Nam là phiên bản Sport. Xe sở hữu kích thước dài, rộng, cao tương ứng (2.165 x 880 x 1.300)mm, chiều dài cơ sở 1.515 mm. |
Đầu tiên, với 1 Series BMW sẽ bổ sung thêm phiên bản 118i được trang bị động cơ 1.5l 3 xi-lanh tăng áp. Với công suất 133 mã lực, phiên bản này mất 8,5 giây để đạt 100 km/h nhưng lại có mức tiêu thụ cực thấp, chỉ từ 4,8 tới 5,2 lít nhiên liệu với hộp số tự động.
![]() |
| BMW 2 Series Convertible. |
Cũng theo Cục Đăng kiểm Việt Nam, nguyên nhân khiến gần 1.200 chiếc Fiesta sản xuất tại Việt Nam phải triệu hồi là do lỗi hệ thống điện, cụ thể là xảy ra hiện tượng dây điện động cơ bị cọ sát do tiếp xúc với bát treo hộp số, khi bị cọ sát trong một thời gian dài có thể gây ra hiện tượng đoản mạch và hư hỏng hệ thống điện trên xe và các đèn cảnh báo, các đèn có thể tự động bật sáng trên bảng điểu khiển.
![]() |
| Nguyên nhân khiến gần 1.200 chiếc Fiesta sản xuất tại Việt Nam phải triệu hồi là do lỗi ở hệ thống điện. |
Sau Ấn Độ, mẫu xe sedan cỡ B Honda City 2026 phiên bản mới sẽ tiếp tục ra mắt những thị trường toàn cầu khác, bao gồm cả Việt Nam.
Hyundai đang rục rịch chuẩn bị cho sự xuất hiện của mẫu Tucson 2027, một bản phác họa kỹ thuật số đến từ nhóm Digimods Design đã mang đến cái nhìn thú vị hơn.
Mẫu xe sedan cỡ D Ford Mondeo 2026 thế hệ mới vừa chính thức ra mắt tại thị trường Trung Quốc và Trung Đông đã nhận được nhiều nâng cấp đáng chú ý.
Hãng xe Triumph vừa chính thức giới thiệu mẫu Tracker 400 tại Vương quốc Anh, mở rộng lựa chọn cho người dùng trong phân khúc môtô cỡ nhỏ 400cc cơ bản.
Hãng máy hút bụi Trung Quốc Dreame vừa tiếp tục hé lộ những hình ảnh siêu xe điện của mình trước thềm CES 2026, được cho là có công suất vượt quá 1.000 mã lực.
Toyota Camry và Corola Cross hybrid tại Mỹ bị triệu hồi, nguyên nhân xác định là do bu lông bên trong bộ biến tần của hệ thống truyền động hybrid bị lỏng.
Chevrolet Bel Air 1957 cho thấy những thao tác nhẹ nhàng, tiếng click dễ chịu và các chi tiết mạ crôm gợi cảm xúc sâu sắc hơn bất kỳ công nghệ ôtô hiện đại nào.
Mặc dù tỷ lệ trộm xe giảm trong năm 2025, nhưng nhiều mẫu ôtô tiếp tục bị trộm nhiều hơn phần còn lại khiến chủ xe và nhà chức trách đau đầu tìm giải pháp.
Thị trường Trung Quốc đang nan giải vấn đề tái chế 820.000 tấn pin xe điện hết hạn sử dụng mỗi năm khi thị phần này bất ngờ bùng nổ trong nhiều năm qua.
Yamaha NMAX 155 mới tại Việt Nam không đơn thuần là phương tiện di chuyển, mà được xem như một phần quan trọng trong trải nghiệm sống hằng ngày.
Mặc dù tỷ lệ trộm xe giảm trong năm 2025, nhưng nhiều mẫu ôtô tiếp tục bị trộm nhiều hơn phần còn lại khiến chủ xe và nhà chức trách đau đầu tìm giải pháp.
Thị trường Trung Quốc đang nan giải vấn đề tái chế 820.000 tấn pin xe điện hết hạn sử dụng mỗi năm khi thị phần này bất ngờ bùng nổ trong nhiều năm qua.
Chevrolet Bel Air 1957 cho thấy những thao tác nhẹ nhàng, tiếng click dễ chịu và các chi tiết mạ crôm gợi cảm xúc sâu sắc hơn bất kỳ công nghệ ôtô hiện đại nào.
Hyundai đang rục rịch chuẩn bị cho sự xuất hiện của mẫu Tucson 2027, một bản phác họa kỹ thuật số đến từ nhóm Digimods Design đã mang đến cái nhìn thú vị hơn.
Yamaha NMAX 155 mới tại Việt Nam không đơn thuần là phương tiện di chuyển, mà được xem như một phần quan trọng trong trải nghiệm sống hằng ngày.
Mẫu xe sedan cỡ D Ford Mondeo 2026 thế hệ mới vừa chính thức ra mắt tại thị trường Trung Quốc và Trung Đông đã nhận được nhiều nâng cấp đáng chú ý.
Hyundai Motor xác lập kỷ lục thế giới năm 2025 với 21 giải thưởng an toàn từ IIHS, vượt xa Volvo và Toyota để trở thành "ông vua" bảo vệ hành khách toàn cầu.
Hãng xe Triumph vừa chính thức giới thiệu mẫu Tracker 400 tại Vương quốc Anh, mở rộng lựa chọn cho người dùng trong phân khúc môtô cỡ nhỏ 400cc cơ bản.
Hãng máy hút bụi Trung Quốc Dreame vừa tiếp tục hé lộ những hình ảnh siêu xe điện của mình trước thềm CES 2026, được cho là có công suất vượt quá 1.000 mã lực.
Toyota Camry và Corola Cross hybrid tại Mỹ bị triệu hồi, nguyên nhân xác định là do bu lông bên trong bộ biến tần của hệ thống truyền động hybrid bị lỏng.
Sau Ấn Độ, mẫu xe sedan cỡ B Honda City 2026 phiên bản mới sẽ tiếp tục ra mắt những thị trường toàn cầu khác, bao gồm cả Việt Nam.
Hãng xe Bentley đang từng bước hé lộ mẫu SUV siêu sang Urban thuần điện hoàn toàn mới, dù hiện vẫn trong giai đoạn thử nghiệm kín.
Nhưng nhìn vào nội thất thì rõ ràng hãng độ này chưa biết tiết chế các màu nổi, dù sao, ở ngoại hình cũng đã làm rất tốt, với việc xử lý cho xe có 1 màu tối.
Lòng trung thành đối với thương hiệu dường như không còn khi khách hàng Trung Quốc đổ xô mua mẫu sedan hạng sang Maextro S800 sản xuất trong nước của Huawei.
Mẫu xe bán tải cỡ trung Nissan Navara 2026 thế hệ mới có mối liên hệ mật thiết với Mitsubishi Triton nhưng Nissan đã có những tinh chỉnh và cải tiến riêng.
Hãng xe môtô Anh quốc Triumph vừa chính thức bổ sung cho phân khúc tầm trung mẫu cafe racer Thruxton 400 2026 mới với mức giá bán "mềm hơn.
Trong bối cảnh thị trường ôtô toàn cầu đang thanh lọc khốc liệt, Ford vừa chính thức xác nhận một bước đi táo bạo khi quyết định thu gọn danh mục sản phẩm.
Tại triển lãm Tokyo Auto Salon 2026 sắp diễn ra, Toyota không chỉ mang đến các mẫu xe thể thao và xe độ, mà còn tạo bất ngờ với bộ ba RAV4 độ hoàn toàn mới.
Mẫu xe MPV chạy điện VinFast Limo Green vừa được vinh danh ở hạng mục “Xe của năm phân khúc MPV phổ thông” tại Lễ trao giải Car Awards 2025.
Dù Volvo không có kế hoạch bán xe V60 Cross Country tại thị trường Mỹ, nhưng việc sản xuất xe vẫn sẽ tiếp tục cho các thị trường khác trên toàn thế giới.