Tảng đá bị bỏ quên chi chít dấu chân khủng long 200 triệu tuổi

Tảng đá bị bỏ quên chi chít dấu chân khủng long 200 triệu tuổi

Các nhà khoa học vui mừng thông báo đã tìm thấy những dấu chân khủng long khoảng 200 triệu tuổi trên một phiến đá tại một trường học ở thị trấn nhỏ của Australia. Những dấu chân này không được chú ý trong suốt nhiều năm.

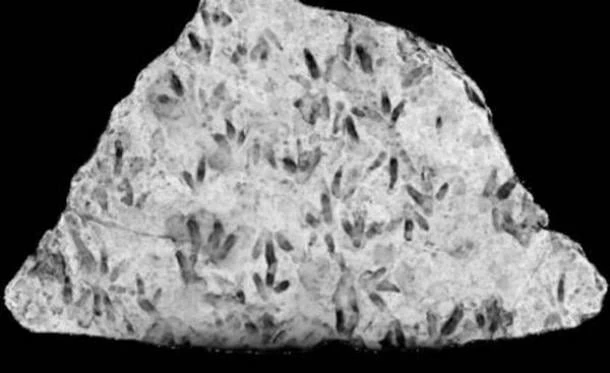
Mới đây, các nhà khoa học công bố phát hiện quan trọng khi tìm thấy bộ sưu tập dấu chân khủng long hóa thạch bị lãng quên trên một phiến đá tại ngôi trường ở vùng nông thôn Banana, bang Queensland, Australia. Ảnh: University of Queensland.
Mới đây, các nhà khoa học công bố phát hiện quan trọng khi tìm thấy bộ sưu tập dấu chân khủng long hóa thạch bị lãng quên trên một phiến đá tại ngôi trường ở vùng nông thôn Banana, bang Queensland, Australia. Ảnh: University of Queensland.
Tảng đá có những dấu chân khủng long khoảng 200 triệu tuổi trên gần như không được chú ý đến trong hơn 20 năm cho đến khi các viên chức tại ngôi trường nhờ nhà cổ sinh vật học Anthony Romilio thuộc Đại học Queensland kiểm tra một cụm dấu chân có 3 ngón. Ảnh: Handout/University of Queensland.
Tảng đá có những dấu chân khủng long khoảng 200 triệu tuổi trên gần như không được chú ý đến trong hơn 20 năm cho đến khi các viên chức tại ngôi trường nhờ nhà cổ sinh vật học Anthony Romilio thuộc Đại học Queensland kiểm tra một cụm dấu chân có 3 ngón. Ảnh: Handout/University of Queensland.
Nhà cổ sinh vật học Romilio vô cùng ngạc nhiên và thích thú khi phát hiện phiến đá in hàng chục dấu chân hóa thạch có niên đại từ đầu kỷ Jura, khoảng 200 triệu năm trước. Theo ông, phiến đá là một trong những nơi tập trung mật độ dấu chân khủng long cao nhất từng được ghi nhận ở Australia. Ảnh: University of Queensland.
Nhà cổ sinh vật học Romilio vô cùng ngạc nhiên và thích thú khi phát hiện phiến đá in hàng chục dấu chân hóa thạch có niên đại từ đầu kỷ Jura, khoảng 200 triệu năm trước. Theo ông, phiến đá là một trong những nơi tập trung mật độ dấu chân khủng long cao nhất từng được ghi nhận ở Australia. Ảnh: University of Queensland.
"Đây là hình ảnh chưa từng có về sự phong phú, chuyển động và hành vi của khủng long từ thời điểm chưa tìm thấy xương khủng long hóa thạch nào ở Australia. Những hóa thạch quan trọng như thế này có thể nằm im trong nhiều năm, ngay cả khi nhìn thấy rõ ràng. Thật khó tin khi nghĩ rằng một phần lịch sử phong phú như vậy lại nằm trong sân trường suốt nhiều năm", ông Romilio cho biết trong cuộc phỏng vấn. Ảnh: University of Queensland.
"Đây là hình ảnh chưa từng có về sự phong phú, chuyển động và hành vi của khủng long từ thời điểm chưa tìm thấy xương khủng long hóa thạch nào ở Australia. Những hóa thạch quan trọng như thế này có thể nằm im trong nhiều năm, ngay cả khi nhìn thấy rõ ràng. Thật khó tin khi nghĩ rằng một phần lịch sử phong phú như vậy lại nằm trong sân trường suốt nhiều năm", ông Romilio cho biết trong cuộc phỏng vấn. Ảnh: University of Queensland.
Những người thợ mỏ đã đào được phiến đá chứa những dấu chân khủng long trên vào năm 2002. Sau khi nhận thấy những dấu chân bất thường, họ đã tặng phiến đá cho trường học để trưng bày ở tiền sảnh. Ảnh: University of Queensland.
Những người thợ mỏ đã đào được phiến đá chứa những dấu chân khủng long trên vào năm 2002. Sau khi nhận thấy những dấu chân bất thường, họ đã tặng phiến đá cho trường học để trưng bày ở tiền sảnh. Ảnh: University of Queensland.
Tảng đá nằm đó suốt nhiều năm mà không được chú ý nhiều cho đến khi các nhà nghiên cứu bắt đầu hỏi thăm về khả năng tìm thấy hóa thạch khủng long trong khu vực. Ảnh: University of Queensland.
Tảng đá nằm đó suốt nhiều năm mà không được chú ý nhiều cho đến khi các nhà nghiên cứu bắt đầu hỏi thăm về khả năng tìm thấy hóa thạch khủng long trong khu vực. Ảnh: University of Queensland.
Nhà cổ sinh vật học Romilio cho hay 66 dấu chân riêng biệt đã được tìm thấy trên phiến đá có diện tích bề mặt chưa đến 1m2. Chúng thuộc về một loài khủng long có tên là Anomoepus scambus - loài ăn thực vật nhỏ và dày, đi bằng 2 chân. Ảnh: Gabriel Ugueto.
Nhà cổ sinh vật học Romilio cho hay 66 dấu chân riêng biệt đã được tìm thấy trên phiến đá có diện tích bề mặt chưa đến 1m2. Chúng thuộc về một loài khủng long có tên là Anomoepus scambus - loài ăn thực vật nhỏ và dày, đi bằng 2 chân. Ảnh: Gabriel Ugueto.
Cuộc săn tìm hóa thạch của ông Romilio trong khu vực cũng đã phát hiện được một tảng đá nặng 2 tấn đánh dấu lối vào bãi đậu xe của một mỏ than. Ảnh: Pixabay/File.
Cuộc săn tìm hóa thạch của ông Romilio trong khu vực cũng đã phát hiện được một tảng đá nặng 2 tấn đánh dấu lối vào bãi đậu xe của một mỏ than. Ảnh: Pixabay/File.
Ông Romilio và các đồng nghiệp tiến hành nghiên cứu sâu rộng về phiến đá và những dấu chân khủng long hóa thạch trên đó hứa hẹn sẽ làm thay đổi hoàn toàn hiểu biết về việc di chuyển của khủng long ở vùng Queensland thời cổ đại. Ảnh: answersingenesis.
Ông Romilio và các đồng nghiệp tiến hành nghiên cứu sâu rộng về phiến đá và những dấu chân khủng long hóa thạch trên đó hứa hẹn sẽ làm thay đổi hoàn toàn hiểu biết về việc di chuyển của khủng long ở vùng Queensland thời cổ đại. Ảnh: answersingenesis.
Mời độc giả xem video: Phát hiện “quái vật' đầu chim, đuôi khủng long, chấn động cả giới khảo cổ.

GALLERY MỚI NHẤT