Các loại virus ngoài đời thực có thể tạo ra 'zombie' hay không?

Đề tài zombie đã được khai thác rất nhiều trong phim ảnh, trò chơi điện tử.

Vào năm 2002, các nhà làm phim HOLLYWOOD đã bắt tay vào việc chuyển thể trò chơi điện tử Resident Evil nổi tiếng và sau 20 năm, các loạt phim và phim truyền hình liên quan tới chủ đề này vẫn được tiếp tục.

Trong phim, loại virus "T" hư cấu được một thực thể tương lai gọi là "Tập đoàn Umbrella" tạo ra trong phòng thí nghiệm và đã thoát ra ngoài, gây ra một đợt bùng phát dịch bệnh và biến mọi người thành "zombie" (thây ma/xác sống).

Những zombie trong phim chỉ có các chức năng vận động cơ bản, một chút nhận thức và không còn trí nhớ. Hoạt động của chúng chỉ được thúc đẩy bởi một nhu cầu cơ bản nhất -kiếm ăn.

Cần khẳng định rằng virus T không có thật - nhưng liệu có một loại virus nào ngoài đời thực có những tác động tương tự với con người hay không?

Cac loai virus ngoai doi thuc co the tao ra 'zombie' hay khong?

Trong phim Resident Evil, virus T được Tập đoàn Umbrella tạo ra từ Progenitor, một virus trong loài cây lạ gọi là "Stairway of the Sun" tại Tây Phi.

Giáo sư về các bệnh truyền nhiễm tại Đại học Vanderbilt, ông William Schaffner bình luận với trang tin Inverse: 

"Không có loại virus nào có thể làm được điều đó (như virus T trong Resident Evil). Tuy nhiên, một số loại virus ngoài đời thực có một số điểm tương đồng nhất định với "quá trình zombie hóa"- nếu bạn muốn gọi nó như vậy".

Theo ông Schaffnerm, một số bệnh truyền nhiễm gây viêm não và ảnh hưởng đến suy nghĩ và hành vi của con người: "Một khối u não có thể khiến con người làm những điều bất thường - thay đổi tính cách, khó khăn cho tư duy và thậm chí gây ra các cơn động kinh".

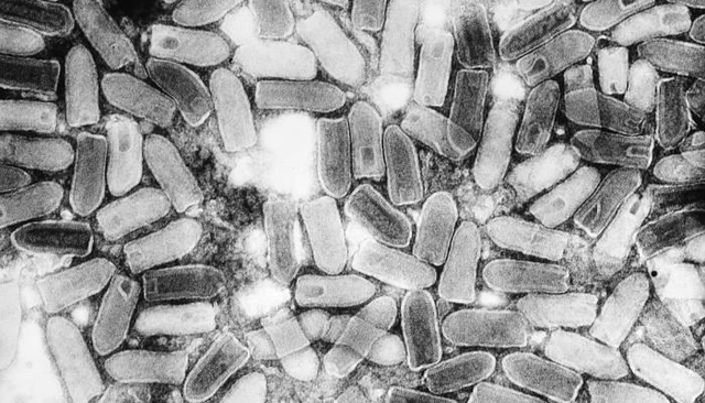
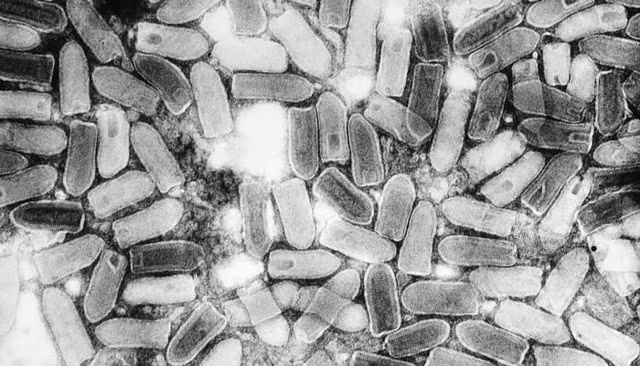
Căn cứ vào triệu chứng, một số nhà khoa học đã ví virus gây Bệnh Dại với các loại "virus zombie" - nhưng cần nhấn mạnh rằng Bệnh Dại gây viêm não.

Cac loai virus ngoai doi thuc co the tao ra 'zombie' hay khong?-Hinh-2

Virus Rabies gây Bệnh Dại nhìn qua kính hiển vi.

Theo Phó giáo sư bệnh học, vi sinh và miễn dịch học tại Đại học Y Vanderbilt, ông Donald J. Alcendor - loại virus có tên là John Cunningham virus (JC) có chung một số đặc điểm với "virus zombie". 

JC là một virus polyoma - họ virus DNA tồn tại ở động vật có vú và chim. Phần lớn người trưởng thành đã tiếp xúc với virus này nhưng nó thường bị hệ thống miễn dịch khống chế.

Ở những người bị suy giảm miễn dịch, virus chuyển từ trạng thái ngủ đông sang trạng thái hoạt động gây ra Bệnh não đa ổ tiến triển (PML), phá hủy myelin - chất tạo thành một lớp bảo vệ xung quanh các tế bào thần kinh của não.

Người bệnh có thể thể hiện một số triệu chứng giống zombie, bao gồm thay đổi tính cách, vụng về - hay vấp ngã, tê liệt và giao tiếp khó khăn. Tuy nhiên điểm quan trọng là những người bệnh không đi xung quanh và tấn công người khác như zombie - hầu hết họ chỉ muốn ngủ.

Tuy nhiên JC vẫn là một loại virus nguy hiểm. Giáo sư Alcendor nhấn mạnh: "Tôi có thể nói rằng 50% những người được chẩn đoán mắc PML sẽ tử vong trong 3 đến 6 tháng sau". 

Đọc nhiều nhất

Tin mới

Top thực phẩm tốt cho tuyến giáp

Top thực phẩm tốt cho tuyến giáp

Bổ sung hạt điều, hạt bí, trái cây tươi và cá biển để duy trì sức khỏe tuyến giáp, giảm nguy cơ viêm nhiễm và cân bằng hormone tự nhiên.